DZS-145延時中間繼電器應用范圍
DZS-100繼電器作為輔助繼電器,用于直流操作的保護回路中,以增加主保護繼電器的觸點數量或觸點容量。
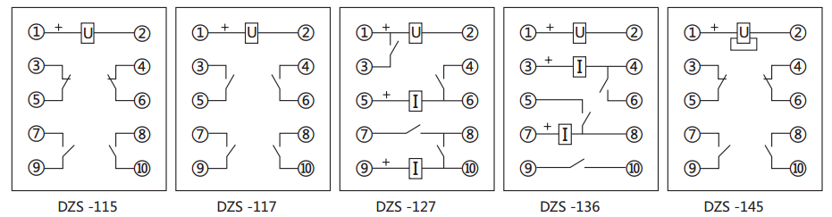
DZS-115、DZS-117為延時動作繼電器;DZS-127、DZS-136型為延時電壓動作和電流保持繼電器;DZS-145型為延時返回繼電器。
DZS-115、DZS-117只有一個電壓工作繞組;DZS-127、DZS-136型只有一個電壓工作繞組和兩個電流保持繞組。
DZS-145延時中間繼電器主要技術數據
●動作值:動作電壓不大于30~70%額定值;保持電流不大于80%額定電流。
●動作時間:不小于0.06s(DZS-145型除外)。
●返回時間:DZS-145在額定電壓下,通電時間不小于0.5s,然后切斷電源,繼電器的返回時間不小于0.8s;其它型繼電器切斷電源后立即 返回。
●觸點容量:在電壓不超過250V,電流不超過5A,時間常數為5±0.75ms的直流有感負荷電路中,產品輸出觸點的斷開容量為50W。輸出觸點在上述規定的負荷條件下,產品能可靠動作及返回5×104次。輸出觸點長期允許接通電流為5A。
●介質強度:產品各導電端子連在一起,對外露的非帶電金屬部分或外殼之間,能承受2000V(有效值)50Hz的交流電壓歷時1分鐘試驗而無絕緣擊穿或閃絡現象。

DZS-145延時中間繼電器內部接線圖及外引接線圖



中間繼電器系列
打印當前頁
發郵件給我們: 1932551438@qq.com
手機: 18930817953




