JLS-84/203雙位置繼電器產品圖片及應用范圍-上海上繼科技有限公司
發表時間:2019-10-29 15:29 瀏覽次數:671 〖返回〗
一、JLS-84/203雙位置繼電器應用范圍
JLS-84/203靜態雙位置繼電器用于交直流操作的各種保護與白動控制系統中,作為切換閉鎖元件。
二、JLS-84/203雙位置繼電器接線圖

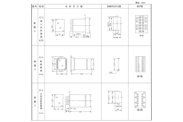
三、JLS-84/203雙位置繼電器開孔尺寸

四、JLS-84/203雙位置繼電器技術參數
1. 動作電壓不大于額定電壓的70%。
2. 動作電流不大于最小額定電流的80%。
3.在額定情動值下,動作時間不大于30mS。
4.功耗不大于6W。
5.觸點性能
(1)觸點斷開容量
繼電器在電壓不大于250V,電流不大于1A, T=5±0.75mS的直流有感負荷電流中觸點斷開容量為50W:電壓不大于250V,電流不大于250A,電流不大于5A的交流為5A。
(2)觸點長期允許閉合電流為5A。
(3)繼電器輸入激勵量為額定值時,觸點電路在DL478-92 ?靜態繼電保護及安全自動裝置通用技術條件?4.6.1條規定負荷下,能可靠動作及返回,其壽命次數為105。
(4)絕緣電阻繼電器的各導電電路連在一起與外露的非帯電金屬部分及外殼之間,以及線圈電路與觸點電路之間,用開路電壓為500V的兆歐表測定,其絕緣電阻應不小于300M0。
(5)介質強度繼電器各導電電路連在一起與外露的非帶電金屬部分及外殼之間,以及線圈電路與觸點電流之間,應能承受2KV,50Hz的交流電歷時1分鐘試驗,無絕緣擊穿或閃絡現象。
(6) 重量繼電器的重量約為1Kg。
公司介紹:上海上繼科技有限公司是一家專業從事電力系統繼電保護及智能電網電力自動化產品的研發、設計、生產、銷售和服務為一體的高科技公司。擁有資深繼電保護專家團隊和國內**的檢測儀器及校驗設備。同時還引用國內外先進技術,來進行技術創新。本公司的產品廣泛用于電力、工礦、鐵路、建筑等國家重大工程輸配變電系統上,產品遠銷東南亞及中東地區。產品通過國家繼電保護及自動化設備質量監督檢驗中心檢測,獲得ISO9001國際質量體系認證。“科技創新,誠信務實”是公司的經營理念,本公司以高超的技術支持和對用戶高度負責的售后服務贏得了輸配電成套企業的信賴,且樹立了良好的信譽。
上海上繼科技有限公司(專注電力保護繼電器生產廠家)銷售熱線:021-57233089 QQ:1932551438
{以上內容僅供參考,上海上繼科技有限公司有最終解釋權}
更多繼電器精彩文章——JWL-23電流繼電器應用范圍及廠家介紹





