BY-4A電壓繼電器主要用途及技術參數-上海上繼科技有限公司
發表時間:2019-10-11 21:14 瀏覽次數:878 〖返回〗
一、BY-4A電壓繼電器主要用途
BY-4A電壓繼電器(以下簡稱繼電器)是一種小定值的過電壓繼電器,用于電力系統繼電器保護線路中,作為方向橫差保護的閉鎖元件。
二、BY-4A電壓繼電器結構及工作原理
背后端子接線圖見圖1,前接線端子接線圖見圖2,外附電阻外形及安裝尺寸圖見圖3(只有220V時有外附電阻)。
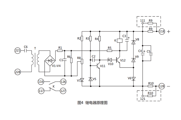
繼電器由電壓互感器、整流濾波及觸發回路、執行元件等環節組成。在正常情況下,繼電器輸入電壓接近于零,執行元件(小中間繼電
器)不動作。當所加交流電壓高于繼電器整定值時,觸發器翻轉,中間繼電器動作,使動合觸點閉合,動斷觸點斷開,完成了繼電器的作用。
繼電器原理見圖4。

三、BY-4A電壓繼電器技術參數
1.交流額定電壓:100V、50Hz。
2.直流額定電壓:48V、110V、220V。
3.整定范圍:2V~15V。
4.返回系數:不小于0.85。
5.動作時間:在1.2倍整定點上不在于0.04s。
6.動作值誤差:任意整定值不大于6%。
7.動作值變差:不大于10%。
8.觸點型式:一動合、一動斷。
9.功率消耗
AC≤6VA
DC 220V/≤6W,110V/≤4W,48V/≤2W。
10.觸點斷開容量:
在直流有感(τ=5ms)回路,U≤250V,I≤0.5A,為30W;在交流(cosφ=0.4)回路,U≤250V,I≤1A,為100VA。
11.觸點長期允許閉合電流為2A。
12.電壽命為5000次。
13.機械壽命為50000次。
14.絕緣電阻不小于300MΩ。
15.介質強度
繼電器各導電電路連一起與外露的非帶電金屬部分及外殼之間,能承受 2kV(有效值)50Hz的交流電壓歷時1min試驗,而無絕緣擊穿
或閃絡現象。
16.沖擊電壓為5kV。
17.當環境溫度為50℃,繼電器應能長期耐受110%額定電壓其線圈溫升不超過55℃。

公司介紹:上海上繼科技有限公司是一家專業從事電力系統繼電保護及智能電網電力自動化產品的研發、設計、生產、銷售和服務為一體的高科技公司。擁有資深繼電保護專家團隊和國內**的檢測儀器及校驗設備。同時還引用國內外先進技術,來進行技術創新。本公司的產品廣泛用于電力、工礦、鐵路、建筑等國家重大工程輸配變電系統上,產品遠銷東南亞及中東地區。產品通過國家繼電保護及自動化設備質量監督檢驗中心檢測,獲得ISO9001國際質量體系認證。“科技創新,誠信務實”是公司的經營理念,本公司以高超的技術支持和對用戶高度負責的售后服務贏得了輸配電成套企業的信賴,且樹立了良好的信譽。
上海上繼科技有限公司(專注電力保護繼電器生產廠家)銷售熱線:021-57233089 QQ:1932551438
{以上內容僅供參考,上海上繼科技有限公司有最終解釋權}
更多繼電器精彩文章——DY-4負序電壓繼電器技術要求及生產廠家





