JCH-3靜態重合閘繼電器技術條件及主要性能-上海上繼科技有限公司
發表時間:2019-09-18 13:21 瀏覽次數:665 〖返回〗一、JCH-3靜態重合閘繼電器使用指南

1、繼電器應用中應注意以下事項:
a、重合閘試驗燈,因為電流大小,重合閘出口部分無法白保持,所以應在試驗燈上并聯一個電阻,使回路電流大于0.25A。下
列電阻規格作為參考:

b、低周減載裝置要閉鎖重合閘,只需把低周出口接點并接在"放電"端與負極間。
c、放電回路對負電源間絕緣必須良好。
2、檢驗項目:
a、測最短可靠動作充電時間,應在15~25s間。
b、測動作延時,可按圖2接線試驗。每動作一次應斷開一下合閘回路,以解除自保持。
c、部分檢驗條例要做的各種連同斷路器的傳動試驗 。
二、JCH-3靜態重合閘繼電器技術參數及接線圖
1、合閘電流: 0.25A~2.5A范圍內通用, 80%的最小合閘電流(0.2A)時合閘回路應能自保持。合閘回路允許2倍額定電流接通
10分鐘。
2、啟動延時范圍:0.1~9.9s,級差0.1s。
3、延時精度: 0.1~9.9s時,誤差≤±(0.1%+15ms)。
4、再次重合閘的充電時間: 15~25s(80%-110%額定電壓內) ,如應用于彈黃儲能操作機構斷路器,可提供25~35s的產品,訂貨時需注明。
5、合閘脈沖寬度: 100~120ms。
6、功率消耗:
a、工作電源回路見下表

b、啟動回路:合閘電流為2.5A時,不大于3W。

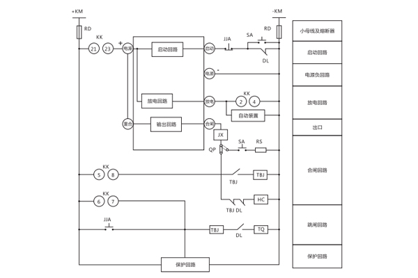
三、JCH-3靜態重合閘繼電器工作原理
1、型號命名的含義

2、工作原理
繼電器由穩壓、延時、計數、執行及保持部分組成(見圖1)。裝有三只發光二極管,監視電源、充電和啟動是否完好,正常時二只發光二極管亮,啟動發光二極管不亮。當加入電源或自動重合閘后經15-25s充電延時部分充好電,準備好工作。一旦斷路器故障跳閘,啟動回路有信號輸入,經整定延時后,有信號輸出,因充電延時部分已充好電,所以執行部分工作,即發出合閘脈沖并自保持,直到斷路器合閘后,合閘回路的斷路器輔助觸點斷開,解除自保持。在此過程中,延時部分復位清零。如為瞬時性故障,經15-25s后充電延時部分再次充好電,準備好下一次動作,如為永久性故障,自動重合閘后,保護裝置將斷路器再次跳閘,啟動回路又有信號輸入, 但由于充電延時部分還未充好電,執行及保持部分不工作,只要啟動信號存在,充電延時部分就一直處于放電狀態,充不上電,保證可靠不重合第二次。如要閉鎖合閘 ,例如手動分閘或低周減載動作,接通放電回路,這時充電延時回路和啟動延時回路被閉鎖,就能可靠閉鎖重合閘不工作。

3、本繼電器外引腳功能(圖三)

公司介紹:上海上繼科技有限公司是一家專業從事電力系統繼電保護及智能電網電力自動化產品的研發、設計、生產、銷售和服務為一體的高科技公司。擁有資深繼電保護專家團隊和國內**的檢測儀器及校驗設備。同時還引用國內外先進技術,來進行技術創新。本公司的產品廣泛用于電力、工礦、鐵路、建筑等國家重大工程輸配變電系統上,產品遠銷東南亞及中東地區。產品通過國家繼電保護及自動化設備質量監督檢驗中心檢測,獲得ISO9001國際質量體系認證。“科技創新,誠信務實”是公司的經營理念,本公司以高超的技術支持和對用戶高度負責的售后服務贏得了輸配電成套企業的信賴,且樹立了良好的信譽。
上海上繼科技有限公司(專注電力保護繼電器生產廠家)銷售熱線:021-57233089 QQ:1932551438
{以上內容僅供參考,上海上繼科技有限公司有最終解釋權}
更多繼電器精彩文章——JY-21B電壓繼電器說明書及產品價格





