ZJC-3沖擊繼電器生產廠家及技術條件-上海上繼科技有限公司
發表時間:2019-09-10 16:22 瀏覽次數:730 〖返回〗
一、ZJC-3沖擊繼電器生產廠家
上海上繼科技有限公司是一家專業從事電力系統繼電保護及智能電網電力自動化產品的研發、設計、生產、銷售和服務為一體的高科技公司。 公司依托國際大都市上海的優越環境,擁有資深繼電保護專家團隊,熟悉中國電網實際運行特點,聯合國內外**高校不斷引進國內外先進技術,積極響應市場的需求,技術不斷創新,堅持行業**地位,主要生產電力繼電器及微機綜合保護裝置,電力智能配電設備,變電站自動化監控系統。產品廣泛用于電力、工礦、鐵路、建筑等國家重大工程輸配變電系統上,產品遠銷東南亞及中東地區。
二、ZJC-3沖擊繼電器概述
ZJC-3靜態沖擊繼電器在輸配電線路中應用于直流操作的保護與控制中作為集中信號裝置的主要元件,也可以用于特殊信號設備中。
三、ZJC-3沖擊繼電器技術條件
1、最小沖擊動作直流電流: 0.015A;施加90%額定的最小沖擊動作電流,裝置應能可靠動作在-10°C~+50°C溫度下,沖擊動作電流不大于0.015A。
2、**沖擊穩定直流電流: 3.20A。
3、功率消耗:
a、工作回路功率消耗: DC48V時≤1.5W; DC110V時≤3W; DC220V時≤5.5W。
b、啟動回路功率消耗:沖擊直流電流為3.2A≤1.5W時。
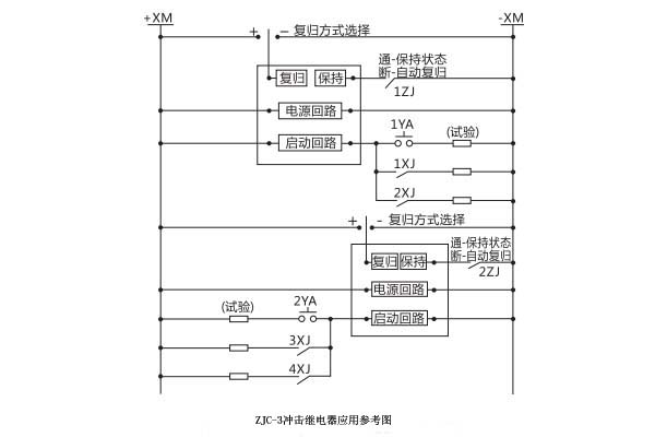
4、在一般情況下,繼電器處于自動復歸狀態,繼電器動作后保持5~10s自動復歸;需要保持時,將保持端與電源負端連接,手動復歸時,將復歸端與電源正端或負端接通一下,勿閉鎖。
注意: ZJC-3型功能和外部接線同ZC-23/A型,有斷電復J三1功能,但無自動復歸功能.若需此功能,訂貨時需注明;另如對最小沖擊電流、自動復歸時間等有特殊要求也需注明。
四、ZJC-3沖擊繼電器接線圖


公司介紹:上海上繼科技有限公司是一家專業從事電力系統繼電保護及智能電網電力自動化產品的研發、設計、生產、銷售和服務為一體的高科技公司。擁有資深繼電保護專家團隊和國內**的檢測儀器及校驗設備。同時還引用國內外先進技術,來進行技術創新。本公司的產品廣泛用于電力、工礦、鐵路、建筑等國家重大工程輸配變電系統上,產品遠銷東南亞及中東地區。產品通過國家繼電保護及自動化設備質量監督檢驗中心檢測,獲得ISO-9001國際質量體系認證。“科技創新,誠信務實”是公司的經營理念,本公司以高超的技術支持和對用戶高度負責的售后服務贏得了輸配電成套企業的信賴,且樹立了良好的信譽。
上海上繼科技有限公司(專注電力保護繼電器生產廠家)銷售熱線:021-57233089 QQ:1932551438
{以上內容僅供參考,上海上繼科技有限公司有最終解釋權}
更多繼電器精彩文章——ZSJ-4直流斷電延時繼電器技術要求及產品圖片





