JL-B/43電流繼電器安裝尺寸及接線圖-上海上繼科技有限公司
發表時間:2019-08-07 14:00 瀏覽次數:989 〖返回〗
一、JL-B/43電流繼電器的用途
電磁式電流繼電器,為電磁式瞬動過電流繼電器,它廣泛用于電力系統二次回路繼電保護裝置線路中,作為過電流啟動元件。交流接觸器的電磁系統會產生電磁噪聲污染。為了解決交流接觸器交流噪聲大、耗電量大、溫升高、功率因數低的問題,目前有一種交流接觸器自身有雙繞組線圈加整流組件,此種交流接觸器運行時比無節能的單線圈情況節電70%左右,運行時無噪音,接觸器線圈燒壞情況有所改善。
二、JL-B/43電流繼電器的接線圖

三、JL-B/43電流繼電器的整定誤差
a、在整定值范圍內,整定平均誤差的絕對值不大于3%;平均誤差=(5次測量平均值-整定值)/整定值×100%。
b、在標準條件下,同一整定值上測量的5次動作值的**值和最小值應不大于4%。
c、在-10℃50℃的溫度下,任一整定點誤差的絕對值應不大于整定值的5%。
d、在輔助電壓80~110%變化范圍內,任一整定值整定誤差的絕對值應不大于4%。
四、JL-B/43電流繼電器的結構
1. 繼電器系電磁式,瞬時動作,磁系統有兩個線圈,線圈出頭接在底座端子上,用戶可以根據需要串并聯,因而可使繼電器整定變化一倍。
2. 繼電器**的刻度值及額定值對于電流繼電器是線圈串聯的(以安培為單位)轉動刻度盤上的指針、以改變游絲的反作用力矩,從而可以改變繼電器的動作值。
3. 繼電器的動作:電流升至整定值或大于整定值時,繼電器就動作,動合觸點閉合,動斷觸點斷開。當電流降低到0.8倍整定值時,繼電器就返回,動合觸點斷開,動斷觸點閉合。
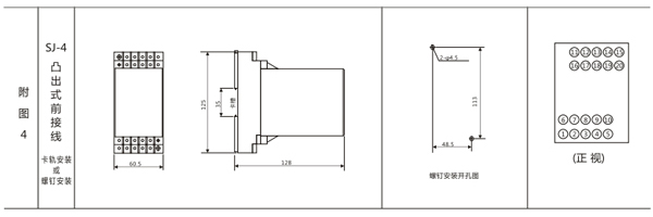
五、JL-B/43電流繼電器的安裝尺寸

公司介紹:上海上繼科技有限公司是一家專業從事電力系統繼電保護及智能電網電力自動化產品的研發、設計、生產、銷售和服務為一體的高科技公司。擁有資深繼電保護專家團隊和國內**的檢測儀器及校驗設備。同時還引用國內外先進技術,來進行技術創新。本公司的產品廣泛用于電力、工礦、鐵路、建筑等國家重大工程輸配變電系統上,產品遠銷東南亞及中東地區。產品通過國家繼電保護及自動化設備質量監督檢驗中心檢測,獲得ISO-9001:2000國際質量體系認證。“科技創新,誠信務實”是公司的經營理念,本公司以高超的技術支持和對用戶高度負責的售后服務贏得了輸配電成套企業的信賴,且樹立了良好的信譽。
上海上繼科技有限公司(專注電力保護繼電器生產廠家)銷售熱線:021-57233089 QQ:1932551438
{以上內容僅供參考,上海上繼科技有限公司有最終解釋權}
更多繼電器精彩文章——JL-G端子排電流繼電器技術數據及安裝尺寸





