降低繼電器維持電流,繼電器低功耗設計-上海上繼科技有限公司
發表時間:2018-06-07 10:30 瀏覽次數:2822 〖返回〗我們都知道繼電器吸合電流是比吸合之后的維持電流要大,如果設計電路時考慮到繼電器的這一特性,即在繼電器吸合后減小其工作電流,只要能夠可靠維持吸合狀態,就能達到降低繼電器功耗的目的。


圖1
如圖1所示,在繼電器的驅動三極管基極接有電阻R1和電容C,當控制電平從A點注入時,電容C兩端電壓不能突變,相當于A點注入的控制電平沒有損耗的提供給了三極管基極,從而驅動繼電器吸合。當電容C上的電壓充滿時,控制電平經R1限流后提供給三極管基極,驅動繼電器的電流相應變小使之能夠維持吸合,達到降低功耗的目的。

![]()

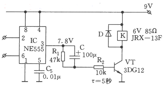
圖2
再來看圖2,這是一個由555時基電路提供控制電平的電路。當555電路的3 腳由低電平翻轉為高電平時,由于電容C兩端電壓不能突變,則三極管VT獲得的注入電流為(VA-0.7V)/R2。之后,C通過R2和三極管eb結充電,VB電壓下降,當C充滿時,VB=VA-VC,由于三極管基極電流Ib的減小,使流過繼電器的電流Ic減低至接近釋放電流,繼電器完成低功耗維持狀態的轉換。





