JY-B/4/210電壓繼電器安裝尺寸及原理-上海上繼科技有限公司
發表時間:2019-07-25 09:09 瀏覽次數:911 〖返回〗
一、JY-B/4/210電壓繼電器的介紹
電壓繼電器是一種電子控制器件,它具有控制系統(又稱輸入回路)和被控制系統(又稱輸出回路),通常應用于自動控制電路中,它實際上是用較小的電流去控制較大電流的一種“自動開關”。故在電路中起著自動調節、安全保護、轉換電路等作用。主要用于發電機、變壓器和輸電線的繼電保護裝置中,作為過電壓保護或低電壓閉鎖的啟動原件。
二、JY-B/4/210電壓繼電器的接線圖

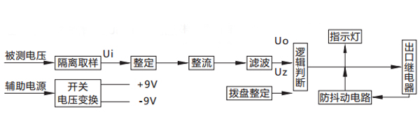
三、JY-B/4/210電壓繼電器的原理
被測電壓經過電阻分壓取樣,得到與被測電壓成比例的取樣電壓Ui , Ui經撥盤整定,再進行整流濾波,得到直流Uo ,邏輯回將Uo與門坎電壓Uz進行比較。對欠電壓繼電器,若Uo> Uz ,則出口繼電器不動作;若Uo

四、JY-B/4/210電壓繼電器的整定誤差
a、在整定范圍內,整定平均誤差的絕對值不大于3%,平均誤差=(5次測量平均值-整定值)/整定值×100%。
b、在基準條件下,同一整定值上測量的5次動作值的**值和最小值應不大于的4%。
c、在-10℃~50℃的溫度下,任一整定點誤差的絕對值應不大于整定值的4%。
d、在輔助電壓80~110%變化范圍內,任一整定值整定誤差的絕對值應不大于4%。
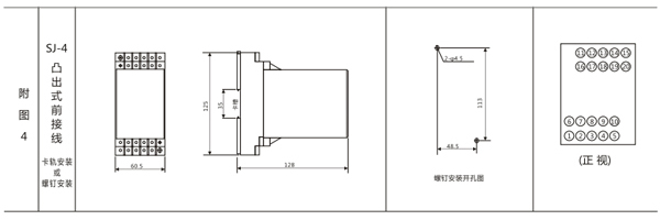
五、JY-B/4/210電壓繼電器的安裝尺寸

公司介紹:上海上繼科技有限公司是一家專業從事電力系統繼電保護及智能電網電力自動化產品的研發、設計、生產、銷售和服務為一體的高科技公司。擁有資深繼電保護專家團隊和國內**的檢測儀器及校驗設備。同時還引用國內外先進技術,來進行技術創新。本公司的產品廣泛用于電力、工礦、鐵路、建筑等國家重大工程輸配變電系統上,產品遠銷東南亞及中東地區。產品通過國家繼電保護及自動化設備質量監督檢驗中心檢測,獲得ISO-9001:2000國際質量體系認證。“科技創新,誠信務實”是公司的經營理念,本公司以高超的技術支持和對用戶高度負責的售后服務贏得了輸配電成套企業的信賴,且樹立了良好的信譽。
上海上繼科技有限公司(專注電力保護繼電器生產廠家)銷售熱線:021-57233089 QQ:1932551438
{以上內容僅供參考,上海上繼科技有限公司有最終解釋權}
更多繼電器精彩文章——JY-DA/1電壓繼電器原理及參數





