DS-20時間繼電器應用范圍及主要技術數據-上海上繼科技有限公司
發表時間:2019-07-12 16:16 瀏覽次數:1159 〖返回〗
一、DS-20時間繼電器應用范圍
DS-20時間繼電器作為輔助元件用于各種保護和自動控制線路中,使被控元件的動作得到可調節的延時。
繼電器DS-2l~24是短時帶電的時間繼電器;
DS-21/C~24/C是長期帯電的時間繼電器(帶外附電阻) ;
DS-25~28是交流時間繼電器。該繼電器具有一付瞬動轉換觸點,一付滑動延時主觸點和一付終止延時主觸點。
二、DS-20時間繼電器主要技術數據

·動作值: DS-21~24不大于70%額定電壓; DS-21C~24C不大于75%額定電壓; DS-25~28不大于85%額定電壓。
·返回值:不小于5%額定電壓。
·觸點容量:在電壓不超過250V,電流不超過5A,時間常數為5±0.75ms的直流有感負荷電路中,產品輸出觸點的斷開容量為50W。輸出觸點在上述規定的負荷條件下,產品能可靠動作及返回5x104次。輸出觸點長期允許接通電流為5A。
·介質強度:產品各導電端子連在一起,對外露的非帶電金屬部分或外殼之間,能承受2000V(有效值)50Hz的交流電壓歷時1分鐘試驗而無絕緣擊穿或閃絡現象。
·外附電阻對照表

三、DS-20時間繼電器內部接線及外引接線圖(背視圖)

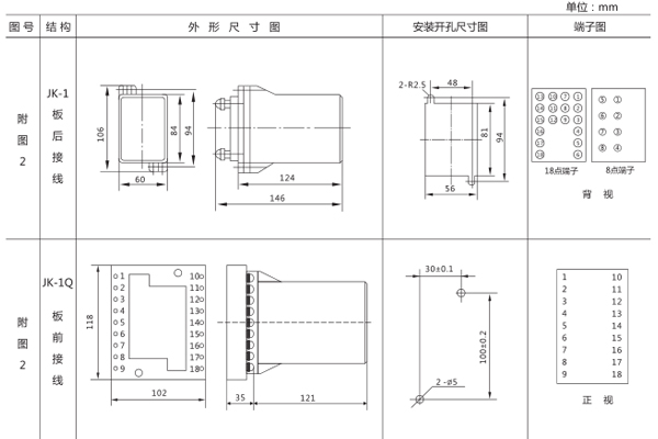
四、DS-20時間繼電器外形及開孔尺寸

五、DS-20時間繼電器簡介
時間繼電器(time relay)是一種利用電磁原理或機械原理實現延時控制的自動開關裝置。當加入(或去掉)輸入的動作信號后,其輸出電路需經過規定的準確時間才產生跳躍式變化(或觸頭動作)的一種繼電器。是一種使用在較低的電壓或較小電流的電路上,用來接通或切斷較高電壓、較大電流的電路的電氣元件。同時,時間繼電器也是一種利用電磁原理或機械原理實現延時控制的控制電器。它的種類很多,有空氣阻尼型、電動型和電子型等。
上海上繼科技有限公司(專注時間繼電器生產廠家)銷售熱線:021-57233089 QQ:1932551438
(以上內容僅供參考,上海上繼科技有限公司有最終解釋權}
更多繼電器精彩文章→BS-10時間繼電器開孔尺寸及主要技術數據





