DH-3重合閘裝置的參數及接線圖-上海上繼科技有限公司
發表時間:2019-06-21 10:22 瀏覽次數:1182 〖返回〗
一、DH-3重合閘裝置的應用范圍
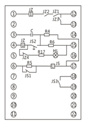
DH-3重合聞裝置用于輸電線路上實現三相一次重合閘接線中,作為重合閘元件。它由時間元件DS-22、中間元件ZJ、電容器C、電阻R、信號燈等組成。
二、DH-3重合閘裝置的參數

三、DH-3重合閘裝置的接線圖

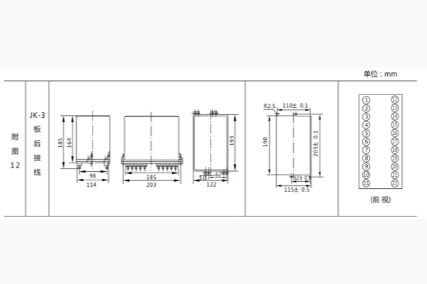
四、DH-3重合閘裝置的開孔尺寸
DH-3采用JK-3殼體,如圖所示

本公司是一家專業從事電力系統繼電保護及智能電網電力自動化產品的研發、設計、生產、銷售和服務為一體的高科技公司。有著高超的售前技術支持和對用戶高度負責的售后完善服務。產品通過國家繼電保護及自動化設備質量監督檢驗中心檢測,獲得ISO-9001:2000國際質量體系認證。是值得社會及用戶信賴的公司。請大家多多支持!詳細聯系方式如下
上海上繼科技有限公司(專注電力保護繼電器生產廠家)銷售熱線:021-57233089 QQ:1932551438
{以上內容僅供參考,上海上繼科技有限公司有最終解釋權}
更多繼電器精彩文章——DT-13/120同步檢查電器的說明書





