BG-12B功率繼電器的開孔尺寸及技術參數-上海上繼科技有限公司
發表時間:2019-06-19 14:02 瀏覽次數:1167 〖返回〗
一、BG-12B功率繼電器的應用范圍
BG-12B功率繼電器(以下簡稱繼電器)應用于電力系統方向保護接線中,作為功率方向元件。BG-12B用于相間短路保護。
二、BG-12B功率繼電器的技術參數
1額定數據:交流額定電壓為100V;交流額定頻率為50Hz;交流額定電流為lA、5A;直流額定電壓為48V、110V、220V。
2繼電器**靈敏角: BG-12B為-45°或-30°,在額定值下,誤差不大于±5°。
3動作值:在**靈敏角及額定電流下,繼電器的最小動作電壓不大于2V。
4動作時間:在**靈敏角和4倍動作功率(電流額定電壓為4V)時,不大于30ms。
5功率消耗:交流電壓回路不大于4VA;交流電流回路不大于1VA;直流不大于6W。
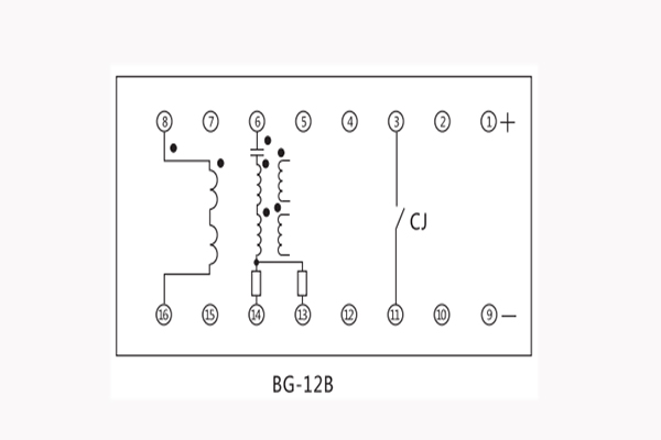
三、BG-12B功率繼電器的接線圖

四、BG-12B功率繼電器的開孔尺寸
BG-12B采用JK-2殼體,如圖所示

“科技創新,誠信務實”是本公司的經營理念,且本公司的產品都通過國家繼電保護及自動化設備質量監督檢驗中心檢測,獲得ISO-9001:2000國際質量體系認證。本公司憑著對社會,對用戶的高度負責,在電力系統中樹立了良好的聲譽,深受各大設計院的認可,贏得輸配電成套企業的信賴。
上海上繼科技有限公司(專注電力保護繼電器生產廠家)銷售熱線:021-57233089 QQ:1932551438
{以上內容僅供參考,上海上繼科技有限公司有最終解釋權}
更多繼電器精彩文章——SSJ8-11繼電器
- 上一篇:BG-11B功率繼電器的參數及接線圖
- 下一篇:BG-13B功率繼電器的參數及接線圖





