DX-17/5-I信號繼電器-上海上繼科技有限公司
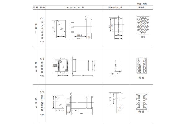
發表時間:2020-04-22 15:19 瀏覽次數:1016 〖返回〗一、DX-17/5-I信號繼電器開孔尺寸


二、DX-17/5-I信號繼電器接線圖

三、DX-17/5-I信號繼電器技術參數
●額定電壓: DC 220V、110V、48V、24V、12V。
●額定電流:0.01A,0.015A、0.02A、0.025A、0.04A、0.05A、0.075A、0.08A、0.1A、0.15A、0.2A、0.25A、0.5A、 0.75A、lA、2A、4A。
●動作值:電壓型不大于70%額定值;電流型不大于90%額定值。
●返回值:不小于額定值的2%。
●功率消耗:電壓型不大于3W;電流型不大于0.3W。
●觸點容量:產品的觸點應能斷開電壓不超過250V及電流不超過0.5A,容量為30W的有感負荷(時間常數為5±0.75ms)的直流電路,或電壓不超過250V及電流不超過lA,容量為100VA的交流電路,功率因數為0.4±0.1。
●介質強度:繼電器各導電電路連在一起對外露的非帶電金屬部分及外殼之間,線圈電路對觸點電路之間,應能承受2000V(有效 值)、50Hz的交流試驗電壓歷時lmin試驗,而無擊穿或閃絡現象。
公司介紹:上海上繼科技有限公司是一家專業從事電力系統繼電保護及智能電網電力自動化產品的研發、設計、生產、銷售和服務為一體的高科技公司。擁有資深繼電保護專家團隊和國內**的檢測儀器及校驗設備。同時還引用國內外先進技術,來進行技術創新。本公司的產品廣泛用于電力、工礦、鐵路、建筑等國家重大工程輸配變電系統上,產品遠銷東南亞及中東地區。產品通過國家繼電保護及自動化設備質量監督檢驗中心檢測,獲得ISO9001國際質量體系認證。“科技創新,誠信務實”是公司的經營理念,本公司以高超的技術支持和對用戶高度負責的售后服務贏得了輸配電成套企業的信賴,且樹立了良好的信譽。
公司主營:繼電器(時間繼電器,電壓繼電器,電流繼電器,中間繼電器,信號繼電器,閃光繼電器,沖擊繼電器,同步檢查繼電器,接地繼電器,差動繼電器,重合閘繼電器,絕緣監視繼電器,雙位置繼電器,模數化繼電器),微機保護裝置,電力儀表,智能操控裝置
上海上繼科技有限公司(專注電力保護繼電器生產廠家)銷售熱線:021-57233089 QQ:1932551438
{以上內容僅供參考,上海上繼科技有限公司有最終解釋權}
更多繼電器精彩文章——JGL-82-II繼電器
- 上一篇:DX-17/3-II信號繼電器
- 下一篇:DX-17/6-I信號繼電器





