閃光繼電器與同步繼電器區別和應用-上海上繼科技有限公司
發表時間:2019-07-29 13:53 瀏覽次數:1151 〖返回〗
DT-1/200同步檢查繼電器用于兩端供電線路的自動重合閘線路中,以檢査線路上電壓的存在及線路上和變電站匯流排上電壓向量間的相角差。
一、DT-1/200同步繼電器的開孔尺寸

二、DT-1/200同步繼電器的接線圖

三、DT-1/200同步繼電器的參數

在額定電壓下,當電壓向量間的相角差在20°~40°范圍內時繼電器動作。
·返回系數:不小于0.8。
·整定刻度誤差:不大于±7.5%。
·動作值一致性:不大于6%。
·功率消耗:不大于3VA。
·介質強度:導電部分對于外殼的絕緣耐受2000V,50Hz交流電,歷時1min。
·觸點容量:當電壓為220V,電流為2A時,在具有電感性負荷的直流電路中(時間常數為5±0.75ms),觸點的斷開功率為50W,在交流電路中觸點的斷開功率為25OVA。

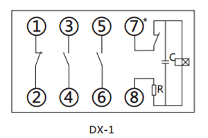
DX-1閃光繼電器用于信號回路。當工作線圈電源接通后,觸點可周期性的接通和斷開,使受控的燈光信號發出閃光。
一、DX-1閃光繼電器的接線圖

二、DX-1閃光繼電器的參數
●額定值:DC 220V、110V、48V。
●觸點形式:2組動合、1組動斷。
●閃光頻率:每分鐘60±20次。
●動作值:不大于70%額定值。
●功率消耗:不大于3W。
●觸點容量:在電壓不超過250V,電流不超過5A,時間常數為5±0.75ms的直流有感負荷電路中,產品輸出觸點的斷開容量為 50W。輸出觸點在上述規定的負荷條件下,產品能可靠動作及返回5×104次。輸出觸點長期允許接通電流為5A。
●介質強度:產品各導電端子連在一起,對外露的非帶電金屬部分或外殼之間,能承受2000V(有效值)50Hz的交流電壓,歷時1分鐘 試驗,而無絕緣擊穿或閃絡現象。
三、DX-1閃光繼電器的開孔尺寸

公司介紹:上海上繼科技有限公司是一家專業從事電力系統繼電保護及智能電網電力自動化產品的研發、設計、生產、銷售和服務為一體的高科技公司。擁有資深繼電保護專家團隊和國內**的檢測儀器及校驗設備。同時還引用國內外先進技術,來進行技術創新。本公司的產品廣泛用于電力、工礦、鐵路、建筑等國家重大工程輸配變電系統上,產品遠銷東南亞及中東地區。產品通過國家繼電保護及自動化設備質量監督檢驗中心檢測,獲得ISO-9001:2000國際質量體系認證。“科技創新,誠信務實”是公司的經營理念,本公司以高超的技術支持和對用戶高度負責的售后服務贏得了輸配電成套企業的信賴,且樹立了良好的信譽。
上海上繼科技有限公司(專注電力保護繼電器生產廠家)銷售熱線:021-57233089 QQ:1932551438
{以上內容僅供參考,上海上繼科技有限公司有最終解釋權}
更多繼電器精彩文章——JY-32B電壓繼電器參數及接線圖
- 上一篇:閃光繼電器與沖擊繼電器區別和應用
- 下一篇:閃光繼電器與接地繼電器區別和應用





