DY-31電壓繼電器用途
DY-31電壓繼電器用于繼電保護線路中,作為過電壓保護或低電壓閉鎖的動作元件。
DY-31電壓繼電器結構和原理
繼電器系電磁式,瞬時動作,磁系統有兩個線圈,線圈出頭接在底座端子上,用戶可以根據需要串并聯,因而可使繼電器整定范圍變化一倍。 2. 繼電器**的刻度值及額定值足線圈并聯時的(以V為單位)。轉動刻度盤上的指針、以改變游絲的反作用力矩,從而可以改變繼電器的動作值。 3. 繼電器的動作:對于過電壓繼電器,電壓升至整定值或大于整定值時,繼電器就動作,動合觸點閉合,動斷觸點斷開。當電壓降低到0.8倍整 定值時,繼電器就返回,動合觸點斷開,動斷觸點閉合,對于低電壓繼電器,當電壓降低到整定電壓時,繼電器就動作,動合觸點斷開,動斷觸點閉 合。
DY-31電壓繼電器內部接線圖及外引接線圖(背視圖)

DY-31電壓繼電器技術數據
1.觸點的數量,見表1。

2.按整定值的范圍來分:每整定值的動作誤差不大于±6%,繼電器各種技術數據示于表2。

注:DY-32/60C、DY-34/60C規格為長期熱穩定(具有內附串聯電容)電壓繼電器。
3.繼電器刻度極限誤差:不大于6%。
4.動作值的變差:不大于6%。
5.對于DY-31、32、33、34電壓繼電器的返回系數不小于0.8;DY-35、36、37、38低電壓繼電器的返回系數不大于1.25。
6.動作時間
6.1 對于過電壓繼電器 在1.1倍動作值時,動作時間不大于0.12s;在2倍動作值動作時間不大于0.04s。
6.2 對于低電壓繼電器 當繼電器的工作電壓為0.5倍整定電壓時,動作時間不大于0.15s。
7. 過電壓能力:當線圈并聯時,在最小整定值處,將電壓由零均勻地上升到1.05~2.2倍整定電壓,在此范圍內,繼電器不應有使得動 合觸點不工作的振動。經此試驗后,繼電器應仍能滿足技術條件的要求。
8. 過電壓:繼電器當加1.75倍整定值或更高時繼電器的動合觸點應無抖動地閉合。
9. 當無外來的碰撞和振動時。過電壓繼電器的各整定(第一點除外)位置上的工作電壓為0.6倍整定值時,其動斷觸點應可靠地閉合電 路。
10. 低電壓繼電器在工作電壓為0.6倍整定電壓或更低時,其動斷觸點應無抖動的閉合。
11. 當無外來的碰撞和振動時,低電壓繼電器各整定位置上的工作電壓不低于1.5倍整定電壓時,其動合觸點應當可靠 地閉合電路。
12. 在動作電壓和返回電壓下;繼電器的可動系統不應當停滯在中間位置。
13. 當周圍空氣的相對濕度不大于85%,繼電器的電路對殼(外殼上的非導電金屬部分)的絕緣電阻,用500V兆歐表測量應當不小于 300MΩ。 14. 繼電器的導電部分對外殼(外殼上的非導電金屬部分)的絕緣,能耐受50Hz交流電壓2kV歷時1min的試驗。
15. 觸點斷開容量:當電壓不大于250V及電流不大于2A時,觸點的斷開功率,在具有電感負荷的直流電路(時間常數不大于5×10- 3s)中為50W,在交流電路中為250VA。
16. 功率消耗:在最小整定值處,繼電器的線圈所消耗的功率不超過20VA。
17. 當周圍介質溫度為+40℃時,繼電器在表2和表3所示的長期允許電流,電壓下長期工作時,不會有絕緣和其他電氣元件的損壞,而 線圈的溫升不大于65℃。
18. 壽命:繼電器電壽命500次,機械壽命為5000次。
DY-31電壓繼電器使用和維護
1.繼電器使用前,需取去外殼,拔出機器,檢查有無在運輸中產生的損壞:如動片碰到磁板,游絲各圈相碰,動片軸上的摩擦等,為此,將繼電器的指針整定在第一整定點上,用手將可動系統往磁板方向轉動,然后放開,可動系統應當轉回到原平衡位置直到止檔,然后進 行必要的調整和整定。
2.繼電器在重新調整時,必須保證。
2.1 可動系統的軸向活動量在0.15~0.3mm之間。
2.2 動片與磁極間的氣隙,應當保證繼電器在規定的任何工作情況下,動片和磁板不得相碰。
2.3 具有動合觸點和動斷觸點的繼電器,在動作過程中,橋形觸點不得同時接觸一動合靜觸點和一動斷靜觸點。
2.4 當指針由第一刻度值旋向最終刻度值時,游絲各圈不得相碰。
2.5 繼電器動作時,橋形觸點應當在靜觸點的中心線上滑動(公差±lmm),動、靜觸點總氣隙不小于2mm。
2.6 靜觸點和限制片之間的距離應不大于0.3mm。
2.7 在調整繼電器的動作值時,最小整定值的調整主要是改變游絲反作用力的大小,**整定值的調整,主要是改變動片和磁板間的氣 隙等。
2.8 不宜潤滑繼電器軸和軸承。
2.9不允許用砂紙或其它粗造材料清潔觸點,宜用鋒利的刀刃或清潔的細磨石清潔觸點,然后用清潔的、柔軟的布片擦干凈,避免用手 指接觸觸點。
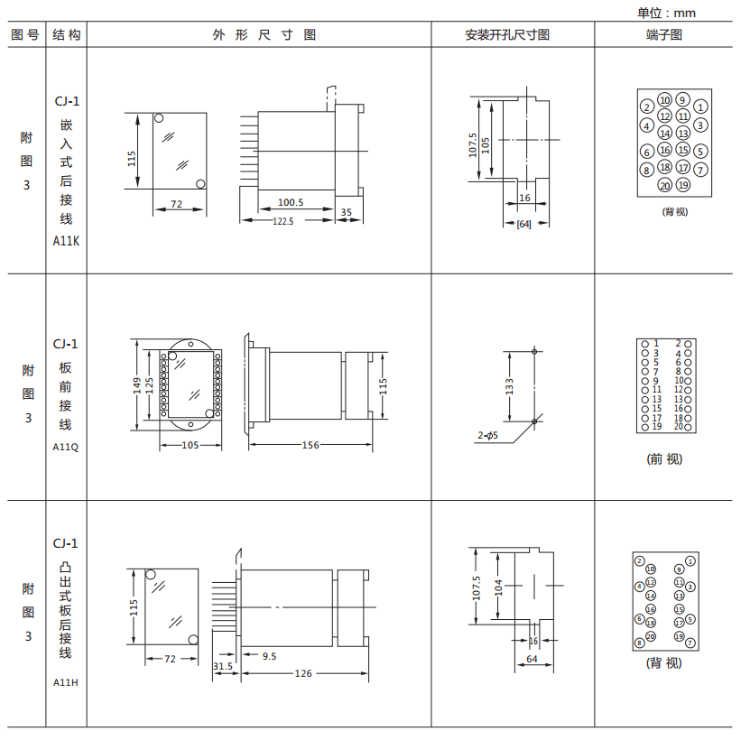
DY-31電壓繼電器外形及開孔尺寸



電壓繼電器系列
打印當前頁
發郵件給我們: 1932551438@qq.com
手機: 18930817953




